- 结构简单
- 成本较低
- 可靠性高
电镀电源是表面处理行业中重要的电能设备之一,其运行功率大、工作时间长,因此对电网的影响十分显著。传统电镀电源在将交流电转换为直流电的过程中,往往会产生大量谐波电流,对供电系统及相关设备造成严重影响。
随着工业自动化水平不断提升,电镀生产线对电能质量提出了更高要求。因此,如何有效控制和治理电镀电源产生的谐波,已经成为企业电能质量管理的重要课题。

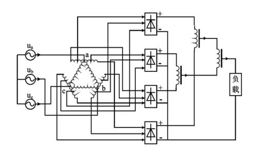
在多脉波整流系统中,常见的结构包括:
以24脉波整流系统为例,移相自耦变压器会产生多组具有特定相位差的三相电压(通常为 15° 相位差)。这些电压分别供给多个整流桥进行整流。
不同整流桥产生的谐波电流由于相位不同,在变压器一次侧进行磁动势叠加时会发生相互抵消。例如:
这些低次谐波在系统内部被显著削弱,最终进入电网的主要是幅值较小的高次谐波(如 23次、25次谐波),从而大幅降低系统的总谐波畸变率。




电镀电源产生的谐波主要来源于整流环节,是影响工业电能质量的重要因素。
通过采用多脉波整流技术与移相自耦变压器,可以在电源侧实现谐波的主动抑制,使不同整流桥产生的谐波在系统内部相互抵消,从而显著降低进入电网的谐波电流。
该方案兼具以下优势:
因此,在电镀、电解、冶金等高功率直流电源应用领域,移相自耦变压器多脉波整流方案已成为提升电能质量和实现绿色生产的重要技术路径。